電話:021-62522001
作者:黑金剛電容 發布時間:2020-08-17 10:59:37 訪問量:6445 來源:櫻拓貿易
陶瓷壓敏電阻的使用回路案例如下:
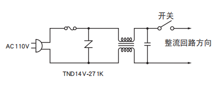
(1)TV電源回路(Power Source Circuit)

(2)家電用保護設備(Micro Computer Equipment)

(3)自動售貨機(Vending Machine)

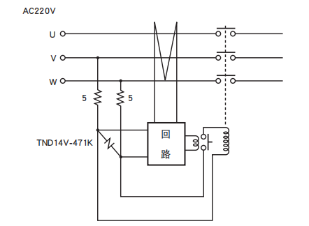
(4)漏電流斷路器(Leakage Current Detecter)

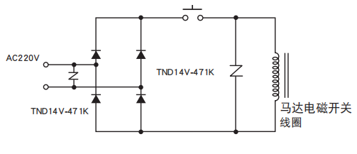
(5)馬達電磁開關(Magnetic Brake)

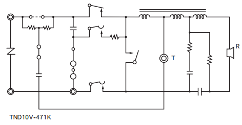
(6)20kW馬達控制回路(Control of 20kW DC Motor)

(7)電話機(Telephone)

上海櫻拓貿易有限公司成立于2006年,已榮獲國內外眾多知名品牌電子元器件廠商的授權代理資質。公司代理的各類被動、主動電子元器件產品,廣泛應用于汽車電子、通信網絡、新能源、家電、電源、照明、安防、工控、智能三表、消費電子、軌道交通、軍工、物聯網等先進制造領域。櫻拓貿易是日本NIPPON CHEMI-CON總代理。
相關資訊推薦:
聲明:本文由櫻拓貿易收集整理關于 黑金剛電容相關的《黑金剛電容陶瓷壓敏電阻的使用回路案例》,如轉載請保留鏈接:http://m.bnjn.com.cn/news_in/605。
下一篇:介紹黑金鋼電解電容的特點和用處